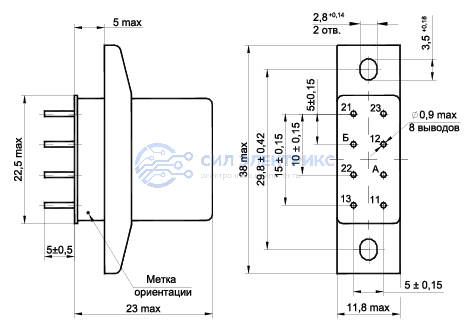
Реле РЭС90Т 000.30 (200*г), -12VDC, 10A, тип контактов: переключающий (SPDT), сила удержания: 100 г, рабочая температура: -40°C до +85°C
Реле РЭС90Т 000.30 (200*г) — это надежное электромеханическое реле, предназначенное для эффективного управления электрическими цепями в различных автоматизированных системах. Оно поддерживает рабочее напряжение до 250 В и ток до 10 А, что делает его идеальным для работы с цепями как переменного, так и постоянного тока. Реле РЭС90Т 000.30 (200*г) отличается высококачественными контактами, которые обеспечивают долговечность и стабильную работу при многочисленных циклах включений и выключений. Оно оснащено эффективной изоляцией, что защищает реле от коротких замыканий и других электрических аномалий, улучшая безопасность эксплуатации. Это реле активно используется в промышленных и бытовых приложениях для управления электрическими цепями, освещением, электроприборами и в системах защиты и контроля, где требуется высокая надежность и долговечность.
Применение:
- Автоматизация и системы управления.
- Коммутация электрических цепей с различными нагрузками.
- Системы защиты и контроля.
- Управление электроприборами и освещением.








