Диодный модуль JSKD200/16, 200 А, 1600 В, корпус E2
Производитель:
JieJie
Технические параметры
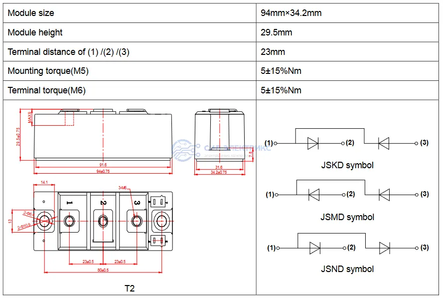
Высота
29 мм
Ширина
34 мм
Тип
Полумостовой диодный модуль
Диапазон рабочих температур
-40...+150 °C
Длина
94 мм
Конфигурация
полумост
Повторяющееся импульсное обратное напряжение
1600
Вес брутто
207.00
Прямое падение напряжения (Vf), В
1,6
Напряжение изоляции, В
3000 В (1 мин)
Максимально допустимый средний прямой ток It(av), А
200
Максимально допустимый ударный прямой ток Ifsm, А
6300
Повторяющийся импульсный обратный ток (Irrm), мА
0,1
Категория:
Наименование
JSKD200/16
Показать весь текст
Описание
Диодный модуль JSKD200/16 представляет собой мощный полупроводниковый компонент, состоящий из диодов, предназначенных для применения в высоковольтных цепях и промышленных устройствах. Модуль обеспечивает эффективную защиту и выпрямление в системах с переменным и постоянным током, а также используется для стабилизации работы энергетических установок, преобразователей и систем защиты от перенапряжений.
Применение:
- Применяется в источниках питания и преобразователях мощности.
- Используется в системах для выпрямления переменного тока в постоянный.
- Обеспечивает защиту от импульсных перенапряжений в промышленных установках.
- Используется в силовых и энергетических установках.
Доставка
Мы доставляем по всей России. Ниже представлены примерные сроки доставки в крупные города:
Техническая документация
Остались вопросы по товару?
Менеджер профессионально ответит
на ваши вопросы
Диодный модуль МД1-1000-12, 1000 А, 1200 В, корпус E2
Артикул: 891026
В наличии: 20 шт.
Цена: 13 610.63 руб.
x
Диодный модуль МД1-500-12, 500 А, 1200 В, корпус E2
Артикул: 891028
В наличии: 15 шт.
Цена: 12 078.01 руб.
x










