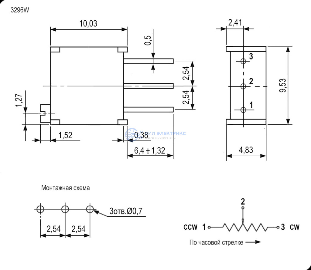
Резистор 3296W 50K
Технические параметры
Высота
11,55 (корпус) мм
Мощность
максимальная рассеиваемая - 0,5 Вт
Сопротивление
(max) 50 кОм
Ширина
9,53 мм
Глубина
4,83 мм
Вес
0,65 г
Тип
подстроечный резистор многооборотный
Диапазон рабочих температур
-55…+125 °С
Количество
25 оборотов
Диэлектрическая прочность
900 В
Сопротивление изоляции, не менее
1000 (при Uисп.dc=500 В) В
Допускаемое отклонение
± 10 %
Износоустойчивость циклов
200 раз
Вес брутто
1.20
Транспортная упаковка: размер/кол-во
62*27.5*28/2000
Категория:
Наименование
3296W 50K
Показать весь текст
Доставка
Мы доставляем по всей России. Ниже представлены примерные сроки доставки в крупные города:
Остались вопросы по товару?
Менеджер профессионально ответит
на ваши вопросы
В наличии: 4580 шт.
Цена: 3.88 руб.
x
В наличии: 12760 шт.
Цена: 3.98 руб.
x









