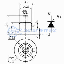
Тиристор силовой Т2-160-7, 1600 В, 70 А, корпус диск
Технические параметры
Сопротивление
тепловое переход-корпус: 0,15°С/Вт
Напряжение
пороговое: 1,13 В
Ток
повторяющийся импульсный: 20 мА
Ток управления
отпирающий постоянный: 250 мА
Скорость
нарастания тока в открытом состоянии критич.: 40…100 А/мкс
Максимальное напряжение
повторяющееся импульсное: 700 В
Максимальный ток
средний в открытом состоянии: 160 А
Время
выключения: 160 мкс
Температура
перехода: -60…+125 °С
Напряжение управления
отпирающее постоянное: 5 В
Категория:
Наименование
Т2-160-7
Показать весь текст
Описание
Тиристор Т2-160-7 – это высоковольтный полупроводниковый прибор, предназначенный для работы в электрических цепях с номинальным напряжением 1600 В и током 70 А. Отличается высокой устойчивостью к перегрузкам, надежностью и эффективным теплоотводом благодаря дисковому корпусу.
Применение:
- Электроприводы и системы управления мощностью.
- Регуляторы напряжения в промышленных установках.
- Преобразователи энергии и высоковольтные выпрямители.
- Коммутаторы в автоматизированных системах.
Доставка
Мы доставляем по всей России. Ниже представлены примерные сроки доставки в крупные города:
Техническая документация
Остались вопросы по товару?
Менеджер профессионально ответит
на ваши вопросы








