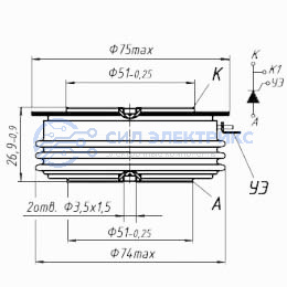
Тиристор силовой Т453-630-28, 6300 В, 280 А, корпус диск
Технические параметры
Сопротивление
тепловое переход-корпус: 0,025°С/Вт
Напряжение
пороговое: 1,5 В
Ток
ударный в открытом состоянии: 13 кА
Скорость
нарастания тока в открытом состоянии критич.: 630 А/мкс
Максимальное напряжение
повторяющееся импульсное: 2800 В
Максимальный ток
средний в открытом состоянии: 630 А
Время
выключения: 160 мкс
Температура
перехода: +125 °С
Категория:
Наименование
Т453-630-28
Показать весь текст
Описание
Тиристор Т453-630-28 разработан для эксплуатации в условиях повышенного напряжения 6300 В и тока 280 А. Применяется в энергетических и промышленных системах для управления мощными нагрузками.
Применение:
- Регулируемые электроприводы и промышленные установки.
- Коммутационные и преобразовательные системы.
- Высоковольтные импульсные схемы.
- Системы защиты и стабилизации напряжения.
Доставка
Мы доставляем по всей России. Ниже представлены примерные сроки доставки в крупные города:
Техническая документация
Остались вопросы по товару?
Менеджер профессионально ответит
на ваши вопросы









