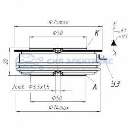
Тиристор силовой ТБ353-800-14, 8000 В, 140 А, корпус диск
Технические параметры
Сопротивление
тепловое переход-корпус: 0,021°С/Вт
Напряжение
пороговое: 1,4 В
Ток
удержания: 300 мА
Ток управления
отпирающий постоянный: 300 мА
Скорость
нарастания тока в открытом состоянии критич.: 320…1000 А/мкс
Время
включения: 4 мкс
Температура
перехода: -60…+125 °С
Напряжение управления
отпирающее постоянное: 2,5 В
Категория:
Наименование
ТБ353-800-14
Показать весь текст
Описание
Тиристор ТБ353-800-14 – это высоковольтный полупроводниковый элемент, предназначенный для работы в цепях с напряжением 8000 В и током 140 А. Отличается высокой устойчивостью к перегрузкам и стабильной работой в промышленных условиях.
Применение:
- Выпрямительные и инверторные системы.
- Регуляторы мощности в энергетике.
- Высоковольтные переключатели и коммутаторы.
- Электроприводы и системы управления нагрузками.
Доставка
Мы доставляем по всей России. Ниже представлены примерные сроки доставки в крупные города:
Техническая документация
Остались вопросы по товару?
Менеджер профессионально ответит
на ваши вопросы










