Клеммник нажимной 021-2
Технические параметры
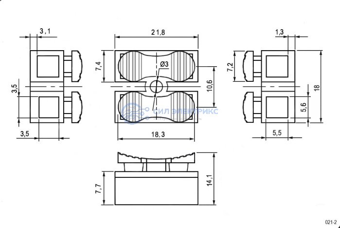
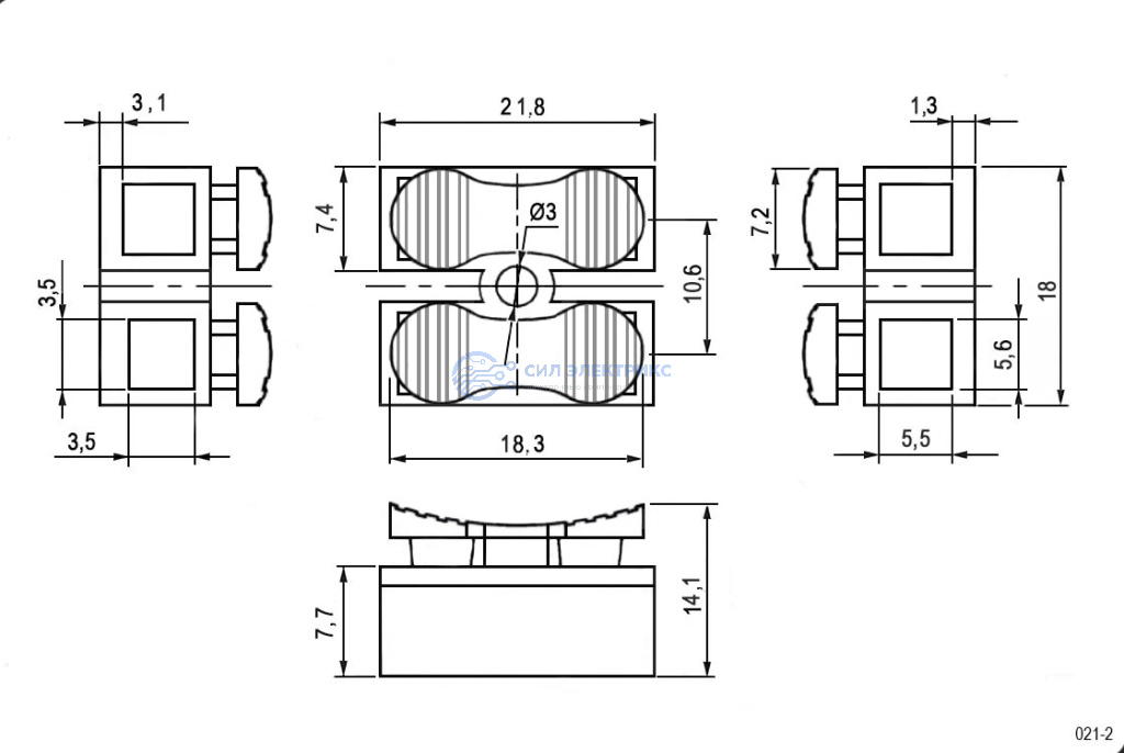
Высота
14,1 (полная) мм
Ширина
18 мм
Глубина
21,8 мм
Тип
клеммник нажимной серии 021
Диапазон рабочих температур
-25…+85 °С
Номинальный ток
10 А
Номинальное напряжение
250В
Материал
Pa66 UL94V-0, нержавеющая сталь
Диэлектрическая прочность
2500 (50 Гц / 1 мин.) В
Сечение провода
2,5 мм2
Количество клемм
4 (2-х проводное соединение)
Вес брутто
1.99
Транспортная упаковка: размер/кол-во
42*28*18.5/2000
Напряжение, В
400
Категория:
Наименование
021-2
Показать весь текст
Описание
Самозажимная клемма 021-2 предназначена для подключения двух проводов сечением до 2.5 мм² и рассчитана на ток до 10 А. Корпус выполнен из термостойкого нейлона PA66, обеспечивающего надежность и защиту от перегрева, механических воздействий, пыли и влаги. Благодаря самозажимной конструкции клемма позволяет быстро и удобно соединять проводники без применения инструментов. Она подходит для применения в распределительных коробках, осветительных системах и щитах, где требуется надежное соединение двух проводов в ограниченном пространстве.
Применение:
- Используется для соединения двух проводов сечением до 2.5 мм².
- Подходит для распределительных коробок и осветительных систем.
- Применяется в бытовых и промышленных установках с нагрузкой до 10 А.
- Обеспечивает компактное и надежное соединение без дополнительных инструментов.
Доставка
Мы доставляем по всей России. Ниже представлены примерные сроки доставки в крупные города:
Остались вопросы по товару?
Менеджер профессионально ответит
на ваши вопросы
Графитовая щетка для электродвигателя brush 6x10x16 spring
Артикул: 701838
В наличии: 1104 шт.
Цена: 15.95 руб.
x









