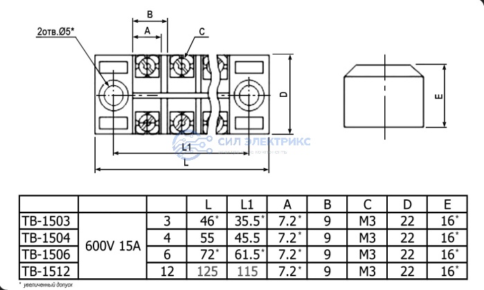
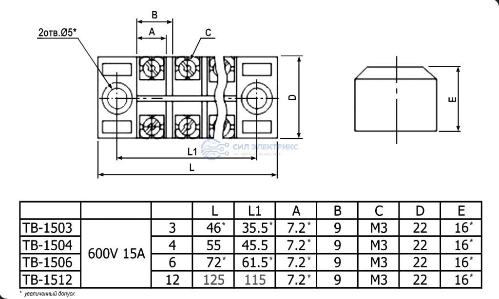
Колодка клеммная TB-1506
Терминал клеммный TB-1506 с номинальным током 15 А и возможностью подключения проводов с сечением до 1.5 кв. мм представляет собой высококачественное соединительное устройство, включающее 6 клеммных пар. Этот терминал обеспечивает надежные и долговечные соединения, что делает его идеальным для использования в различных промышленных и электронных системах. Он выполнен из прочных материалов, устойчивых к механическим повреждениям, пыли и влаге, что гарантирует его долговечность и стабильную работу в различных условиях эксплуатации. Терминал TB-1506 идеально подходит для применения в распределительных панелях, устройствах управления и других электрических установках, где важна высокая надежность и безопасность соединений.
Применение:
- Используется в промышленных и электронных системах для соединений с номинальным током 15 А и сечением до 1.5 кв. мм.
- Применяется в распределительных панелях, устройствах управления и других местах, где требуются надежные соединения с 6 клеммными парами.
- Обеспечивает стабильную работу в условиях с умеренными механическими нагрузками и внешними воздействиями, такими как пыль и влага.
- Гарантирует долговечность и безопасность за счет высококачественных материалов и защиты от внешних повреждений.










