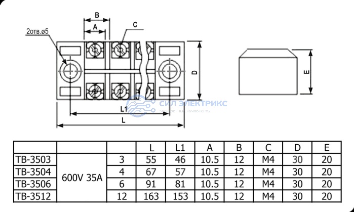
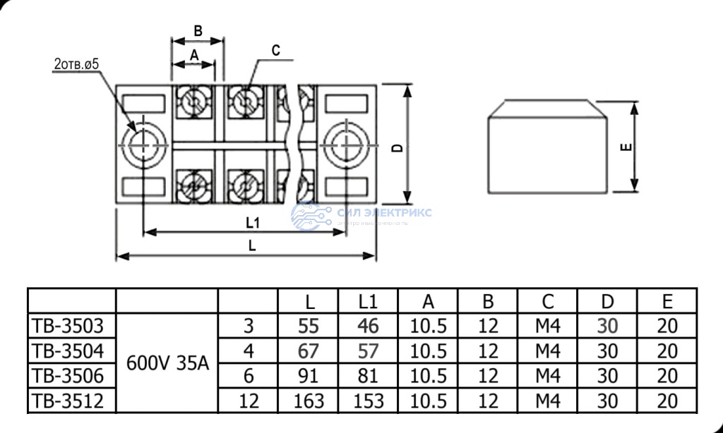
Колодка клеммная TB-3512
Клеммная колодка винтовая с крышкой TB-3512, рассчитанная на 24 контакта с резьбой М4, номинальный ток 35 А и напряжение 600 В, предназначена для надежных и долговечных соединений в различных промышленных и электронных системах. С возможностью подключения проводов с сечением до 10 мм² и диаметром 8 AWG, эта колодка предлагает высокую степень защиты и надежности. Крышка на колодке гарантирует защиту от внешних воздействий, таких как пыль и влага, что делает ее идеальным решением для использования в распределительных панелях, устройствах управления и других местах, где важна долговечность соединений.
Применение:
- Используется в промышленных и энергетических системах для соединений с номинальным током 35 А и напряжением 600 В.
- Применяется в распределительных панелях, устройствах управления и других местах, где требуются надежные соединения с проводами сечением до 10 мм² и диаметром 8 AWG.
- Обеспечивает защиту соединений от внешних воздействий, таких как пыль и влага, благодаря крышке и прочной конструкции.
- Идеальна для установки в местах с высокими требованиями безопасности и долговечности соединений.










