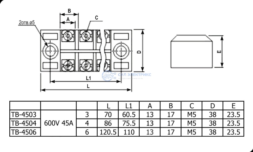
Колодка клеммная TB-4504
Клеммная колодка винтовая с крышкой TB-4504, рассчитанная на 8 контактов с резьбой М5, номинальный ток 45 А и напряжение 600 В, предназначена для обеспечения надежных соединений в промышленных и энергетических установках. Диапазон рабочих температур от -40 до +80 °C делает эту колодку идеальной для эксплуатации в различных климатических условиях. Клеммная колодка выполнена из высококачественных материалов, устойчивых к механическим повреждениям, пыли и влаге, что гарантирует долговечность и стабильную работу в различных условиях эксплуатации. Крышка на колодке защищает соединения от внешних воздействий, увеличивая их надежность и безопасность.
Применение:
- Используется в промышленных и энергетических системах для соединений с номинальным током 45 А и напряжением 600 В.
- Идеальна для установки в распределительные панели, устройства управления и других местах, где требуется высокая надежность соединений при температурных колебаниях от -40 до +80 °C.
- Обеспечивает защиту от механических повреждений, пыли и влаги благодаря крышке и прочной конструкции.
- Рекомендуется для применения в установках с высокими требованиями к долговечности и безопасности соединений в разных температурных режимах.










