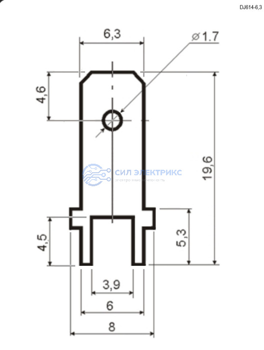
Клемма на плату DJ614-6.3
Технические параметры
Высота
19,6 мм
Ширина
8 мм
Тип
клемма ножевая 6,3 мм
Межосевое расстояние
4,95 мм
Способ монтажа
пайка в плату
Материал
латунь
Толщина металла
0,8 мм
Вес брутто
0.71
Транспортная упаковка: размер/кол-во
42*28*18.5/30000
Категория:
Наименование
DJ614-6.3
Показать весь текст
Описание
Клемма на плату DJ614-6.3 — это высококачественный разъем с шагом 6.3 мм, предназначенный для монтажа на печатные платы. Она используется в различных сферах, включая промышленные и бытовые электрические установки, обеспечивая надежное и безопасное соединение. Клемма устойчива к механическим повреждениям и обеспечивает стабильность соединений, что гарантирует долговечность работы устройств.
Применение:
- Предназначена для установки на печатные платы в системах, требующих надежности и долговечности.
- Используется в электрическом оборудовании, распределительных щитах и бытовых устройствах.
- Обеспечивает прочные и безопасные соединения, подходящие для работы в условиях повышенных нагрузок.
Доставка
Мы доставляем по всей России. Ниже представлены примерные сроки доставки в крупные города:
Техническая документация
Остались вопросы по товару?
Менеджер профессионально ответит
на ваши вопросы












