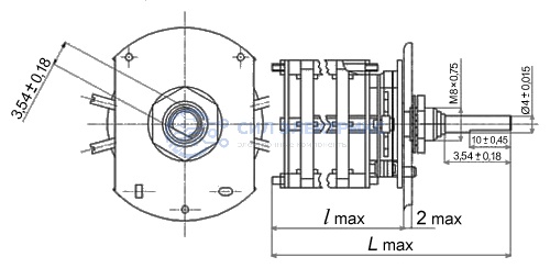
Переключатель ПГ-3 2П8НВ, 2 позиции, номинальное напряжение 250 В, ток 5 А, с защитой
Переключатель ПГ-3 2П8НВ – это надежное и долговечное коммутационное устройство, предназначенное для использования в различных электрических цепях, где важна высокая износостойкость и долговечность. Переключатель ПГ-3 2П8НВ отличается прочной конструкцией и высокой устойчивостью к внешним воздействиям, что делает его идеальным для работы в промышленных и автоматизированных системах. Он гарантирует точное переключение и длительный срок службы, что делает его идеальным выбором для использования в сложных условиях эксплуатации.
Применение:
- Электрические системы, требующие долговечности и точности переключений.
- Промышленные установки с высокими требованиями к механической устойчивости и долговечности.
- Автоматизированные системы, где важна высокая износостойкость и точность работы.
- Техника и устройства, работающие в сложных и высоконагруженных условиях.







