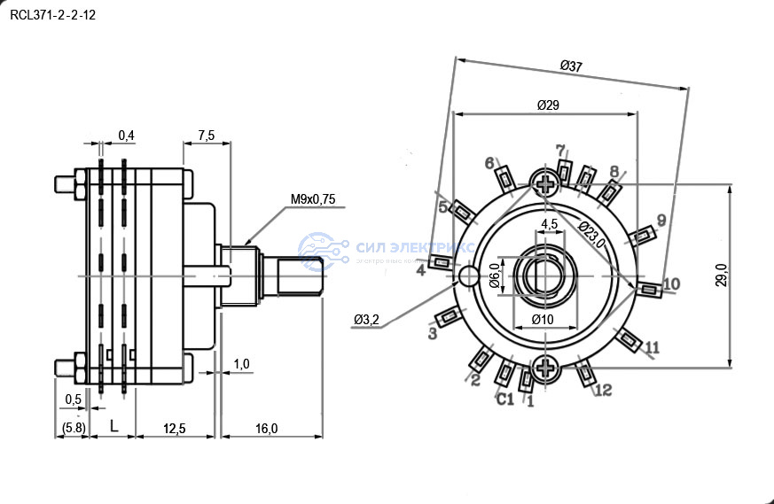
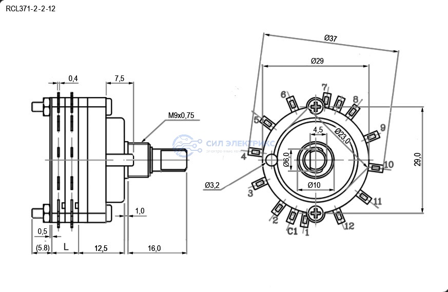
Галетный переключатель RCL371-2-2-12, 12 позиций, номинальное напряжение 250 В, ток 10 А
Галетный переключатель RCL371-2-2-12 – это надежное коммутационное устройство, предназначенное для точного и стабильного переключения электрических цепей. Обладает прочной конструкцией, высокой износостойкостью и рассчитан на длительный срок службы. Качественные контактные группы обеспечивают устойчивость к механическим нагрузкам и стабильную работу в сложных условиях эксплуатации. Благодаря этим характеристикам, переключатель RCL371-2-2-12 широко используется в промышленности, радиоэлектронике и автоматизированных системах.
Применение:
- Электронные и электротехнические устройства, требующие многопозиционного переключения.
- Промышленные системы, обеспечивающие надежную коммутацию сигналов.
- Радиоэлектронное оборудование, использующее точные и долговечные переключатели.
- Автоматизированные комплексы, работающие в условиях высоких нагрузок.









