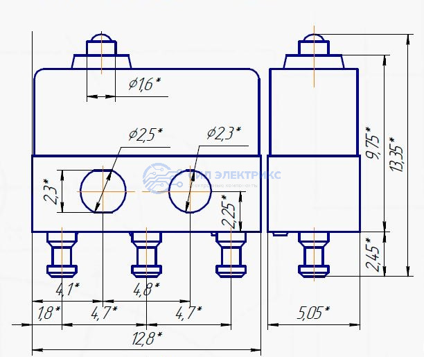
МП50-1
Производитель:
КУЗБАССРАДИО
Технические параметры
Вес
1,1 г
Рабочая температура
от -45 до +85 °С
Электрическая прочность изоляции
350 Вэфф
Наработка на отказ, не менее
10000 ч
Сопротивление изоляции
не менее 1000 МОм
Усилие
прямого срабатывания: 1,2-1,8 Н; обратного срабатывания: не менее 0,27 Н
Сопротивление контакта
не более 0,05 Ом
Повышенная относительная важность при 35 °С
98 %
Время срабатывания
подвижных контактов: не более 0,01 с
Ходы приводного элемента
рабочий: 0,1-0,5 мм; дополнительный: не менее 0,1 мм; дифференциальный: не менее 0,12 мм
Категория:
Наименование
МП50-1
Показать весь текст
Доставка
Мы доставляем по всей России. Ниже представлены примерные сроки доставки в крупные города:
Остались вопросы по товару?
Менеджер профессионально ответит
на ваши вопросы
Графитовая щетка для электродвигателя brush-3 Cu-C
Артикул: 701890
В наличии: 204 шт.
Цена: 244.60 руб.
x










