KZ-8107 (TZ-8107) Al+Zinc
Технические параметры
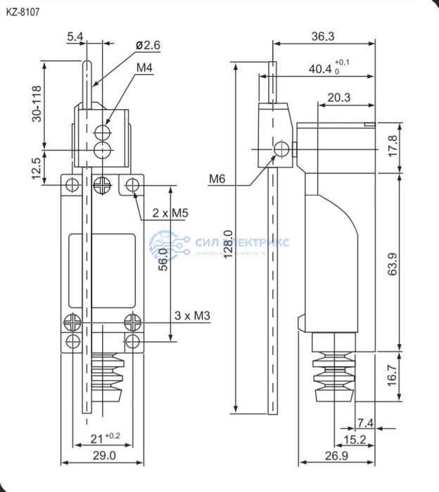
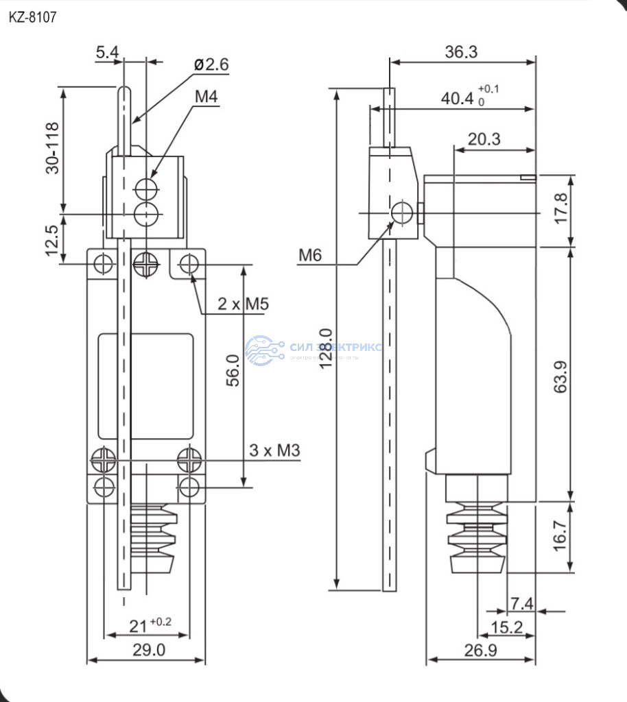
Высота
корпус - 81,7 мм
Ширина
28,2 (29,0 макс.) * мм
Глубина
в сборе - 40,4 мм
Тип
Выключатель путевой серии KZ с поворотным регулируемым штоком
Диапазон рабочих температур
-20…+60 °С
Степень защиты
IP64
Номинальный ток
5 при 250 B (АС); 0,4 при 115 В (DC) А
Номинальное напряжение
AC: 250; DC: 115 В
Материал корпуса
корпус - Al-Zn сплав; крышка и головка - пластмасса
Частота
включение/ отключение (макс.) - 30 циклов/ мин. (электро)
Номинальное напряжение, В
AC: 250; DC: 115
Высота (мм)
корпус - 81,7
Диапазон рабочих температур, °C
-20...+60
Ширина (мм)
28,2 (29,0 макс.)
Глубина (мм)
в сборе - 40,4
Диэлектрическая прочность
1000 (50 Гц, 1 мин.) между контактами В
Номинальный ток, А
5 при 250 VАС; 0,4 при 115 VDC
Сопротивление изоляции, не менее
100 (при Uисп.dc=500 В) МОм
Сопротивление изоляции, МОм, не менее
100 (при Uисп.dc=500 В)
Диэлектрическая прочность, В
1000 (50 Гц, 1 мин.) между контактами
Контактное сопротивление, не более
15 мОм
Количество циклов коммутации (электро), не менее
300000
Схема переключения
NO - NC (4P)
Контактное сопротивление, мОм, не более
15
Вес брутто
99.50
Транспортная упаковка: размер/кол-во
44*30*32/100
Категория:
Наименование
KZ-8107 (TZ-8107) Al+Zinc
Показать весь текст
Описание
Выключатель концевой KZ-8107 (TZ-8107) Al+Zinc — это высококачественное устройство, оснащенное корпусом из комбинации алюминия и цинка, что обеспечивает отличную защиту от коррозии и повышенную прочность. Этот выключатель используется для контроля положения объектов и изменения состояния системы в ответ на движение. Прочные материалы и устойчивость к внешним воздействиям делают его идеальным для применения в промышленных и автоматизированных системах, где требуется высокая надежность и долговечность.
Применение:
- Используется для контроля положения объектов в автоматических системах управления.
- Применяется в различных производственных и складских системах для включения или выключения оборудования в зависимости от положения объекта.
- Идеален для эксплуатации в агрессивных условиях с высоким уровнем влажности и коррозийными воздействиями.
Доставка
Мы доставляем по всей России. Ниже представлены примерные сроки доставки в крупные города:
Техническая документация
Остались вопросы по товару?
Менеджер профессионально ответит
на ваши вопросы
KZ-8166 (TZ-8166) Al+Zinc
Артикул: 900453
1650 шт. ожидаем 24.02.2026
5000 шт. в производстве
Цена: 183.73 руб.
x











