запрессовочная AS-M6-2
Технические параметры
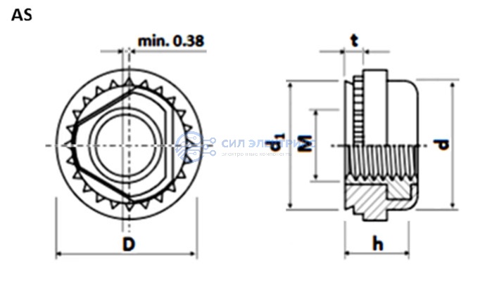
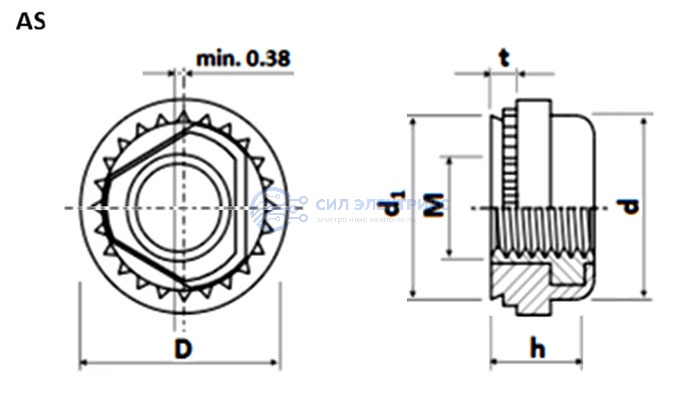
Высота (мм)
h = 5.34 ±0.25
Материал
Оцинкованная сталь
Резьба
М6
Посадочное отверстие (мм)
13.08 ±0.08
Шаг резъбы
1.0
Вес брутто
4.72
Транспортная упаковка: размер/кол-во
28.5*21*19/1000
Внутренний диаметр, мм
d1 = 12.96
Внешний диаметр, мм
d = 13.08 ±0.25
Высота установки, мм
t = 1.38
Толщина металла, мм
t = 1.38
Категория:
Наименование
запрессовочная AS-M6-2
Показать весь текст
Описание
Гайка резьбовая запрессовочная с подвижным сердечником AS-M6-2 — это надёжный крепёжный элемент, используемый для установки в тонколистовые материалы. Подвижный сердечник компенсирует возможные перекосы при монтаже, обеспечивая точность и долговечность резьбового соединения. Конструкция устойчива к вибрациям и механическим нагрузкам, что делает её востребованной в машиностроении и электротехнических установках.
Применение:
- Создание резьбовых соединений в металлических и пластиковых панелях.
- Применение в корпусах приборов и электрооборудования.
- Использование в промышленности для фиксации деталей в тонколистовых материалах.
- Обеспечение надёжных соединений без сварки и дополнительных фиксаторов.
Доставка
Мы доставляем по всей России. Ниже представлены примерные сроки доставки в крупные города:
Техническая документация
Остались вопросы по товару?
Менеджер профессионально ответит
на ваши вопросы






