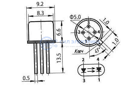
Оптопара АОУ103Б1
Технические параметры
Рабочая температура
-60…70 °С
Сопротивление изоляции
макс.: 500 В
Входное напряжение
обратное макс.: 2 В
Время
спада выходного сигнала: 35 мкс
Выходной ток
макс.: 100 мА
Выходное напряжение
обратное макс.: 200 В
Входной ток
импульсный макс.: 500 мА
Категория:
Наименование
АОУ103Б1
Показать весь текст
Описание
Оптопара АОУ103Б1 представляет собой электронный компонент, предназначенный для гальванической развязки цепей и передачи электрических сигналов посредством оптического излучения. Конструкция устройства обеспечивает надёжную изоляцию между входной и выходной частью схемы, что повышает безопасность и снижает уровень помех. Оптопара отличается стабильными параметрами, долговечностью и может использоваться в ответственных электронных системах.
Применение:
- Используется для гальванической развязки цепей в электронных устройствах.
- Применяется в системах автоматики, управления и телекоммуникации.
- Подходит для защиты низковольтных цепей от высоковольтных воздействий.
- Широко используется в промышленной и бытовой электронике.
Доставка
Мы доставляем по всей России. Ниже представлены примерные сроки доставки в крупные города:
Техническая документация
Остались вопросы по товару?
Менеджер профессионально ответит
на ваши вопросы








