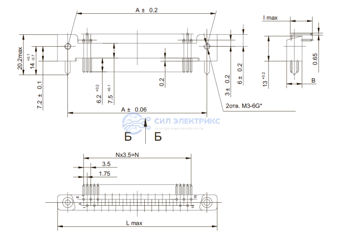
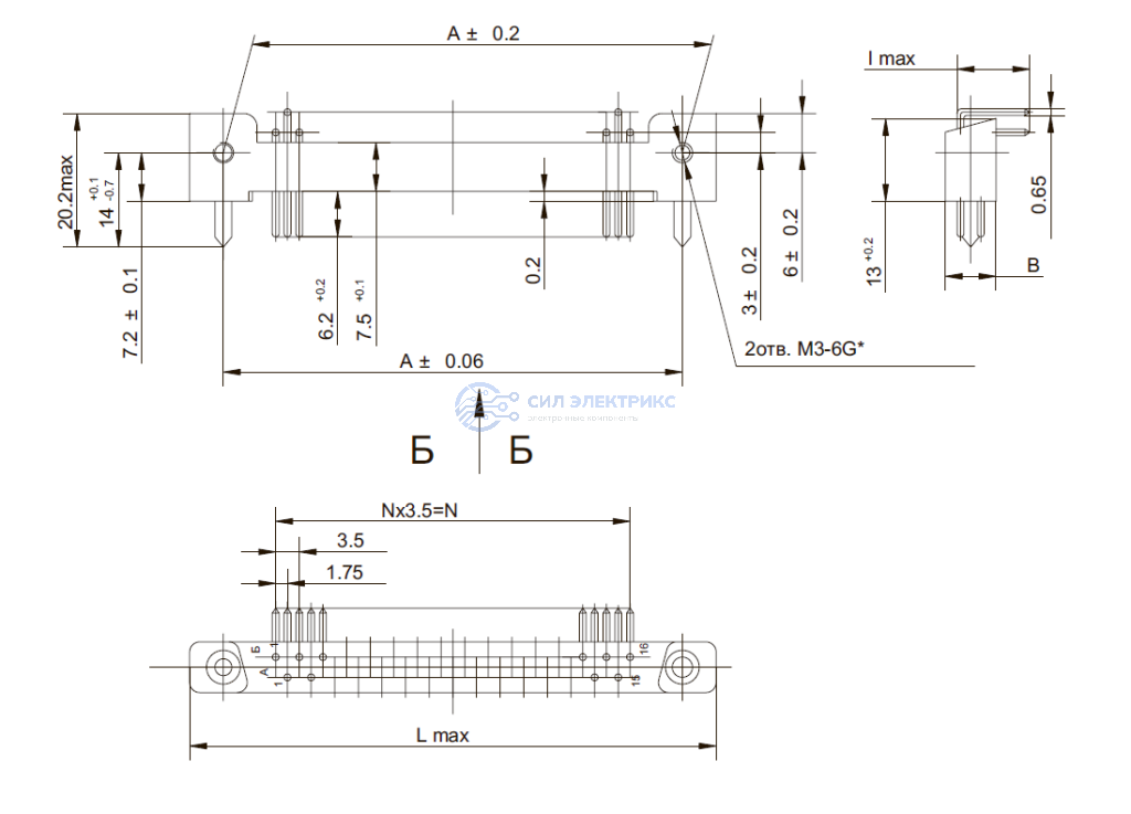
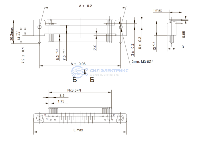
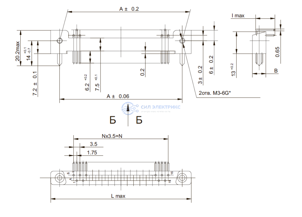
Соединитель низкочастотный ГРПМ1-90-ШУ2В
Технические параметры
Тип
хвостовика: У - для углового монтажа в отверстие печатной платы
Исполнение
всеклиматическое
Рабочее напряжение
не более 250 В
Количество контактов
90
Покрытие контактов
2 - серебро
Сопротивление контакта
не более 0,007 Ом
Сила
тока на каждый контакт: не более 2 А
Часть соединителя
Ш - вилка
Категория:
Наименование
ГРПМ1-90-ШУ2В
Показать весь текст
Доставка
Мы доставляем по всей России. Ниже представлены примерные сроки доставки в крупные города:
Техническая документация
Остались вопросы по товару?
Менеджер профессионально ответит
на ваши вопросы





