Соединитель низкочастотный прямоугольный МРН4-1 ВИЛКА
Технические параметры
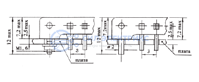
Тип разъёма
малогабаритный разъем низкочастотный
Рабочее напряжение
не более 400 В
Конструктивное исполнение
1 - печатный монтаж
Количество контактов
4
Сопротивление контактов, не более
0,001 Ом
Сила
тока на каждый контакт для двухряудных соеденителей, не более 1 А
Категория:
Наименование
МРН4-1 ВИЛКА
Показать весь текст
Доставка
Мы доставляем по всей России. Ниже представлены примерные сроки доставки в крупные города:
Техническая документация
Остались вопросы по товару?
Менеджер профессионально ответит
на ваши вопросы
Соединитель низкочастотный прямоугольный МРН44-1(К) ВИЛКА
Артикул: 864547
В наличии: 12 шт.
Цена: 11.90 руб.
x




