Сетевые розетки TJ8-10P8 cетевая розетка
Технические параметры
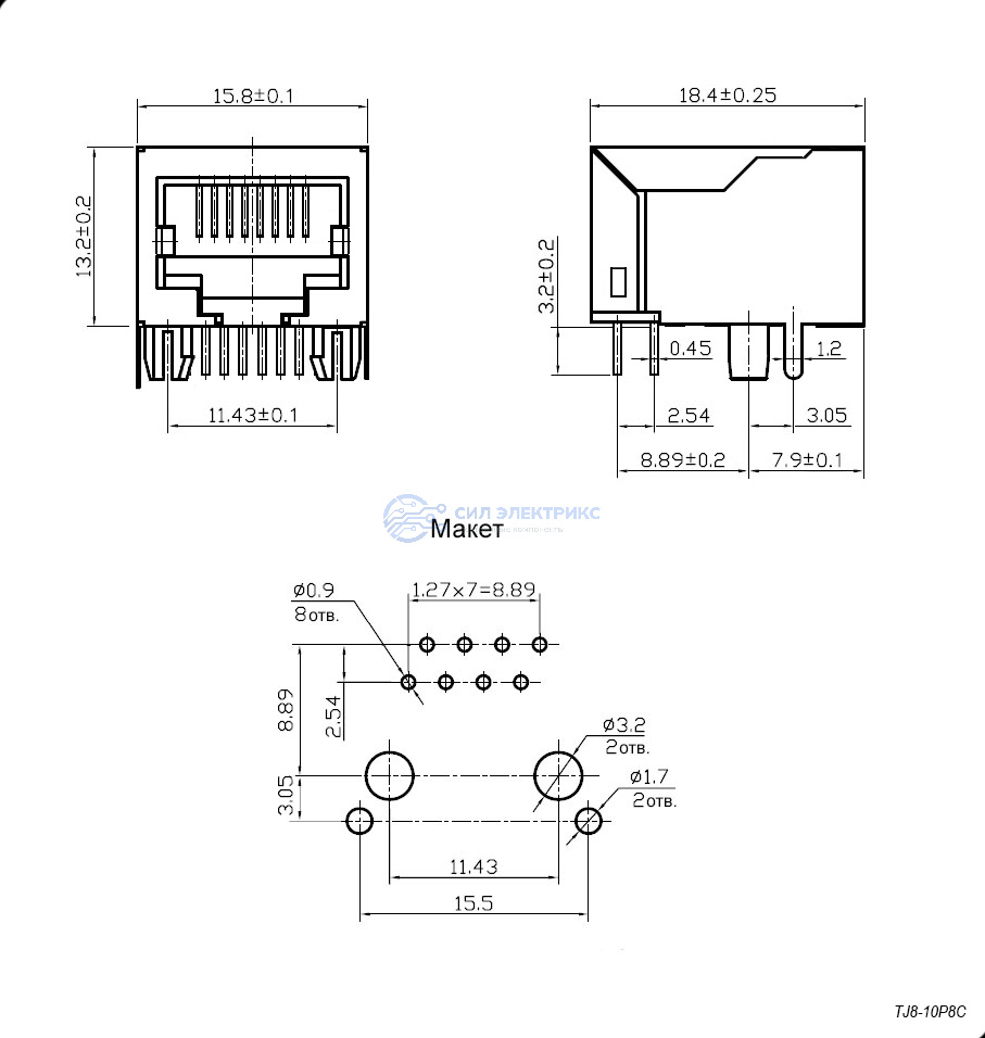
Высота
13,2 корпус мм
Ширина
15,8 мм
Глубина
18,4 мм
Диапазон рабочих температур
-20…+70 °С
Тип разъёма
гнездо - розетка экранированная 10P8C FTP
Материал
корпус - GF полиэстер (UL94-V)
Диэлектрическая прочность
1000 (50 Гц / 1 мин.) В
Сопротивление изоляции, не менее
500 (при Uисп.dc=500 В) МОм
Совместимость
вилки 10P10C/ 10P8C FTP (с экраном)
Контактное сопротивление, не более
50 мОм
Количество циклов коммутации (электро), не менее
750
Вес брутто
5.35
Транспортная упаковка: размер/кол-во
42*28*23.5/2540
Категория:
Наименование
TJ8-10P8 cетевая розетка
Показать весь текст
Описание
Сетевые розетки TJ8-10P8 — 10-контактный разъём с шагом 10P8C, предназначенный для подключения в устройства с высоким числом каналов. Этот разъём идеально подходит для сетей, требующих более плотной разводки и множества соединений. Розетка TJ8-10P8 обеспечивает высокоскоростную передачу данных и стабильное соединение, что делает её идеальным выбором для использования в сложных системах автоматизации и промышленного оборудования, где требуется много контактов для связи между устройствами.
Применение:
- Подключение устройств с 10 контактами для многоканальных Ethernet-сетей.
- Системы, требующие множества каналов для передачи данных и сигналов.
- Маршрутизаторы, коммутаторы и системы передачи данных с высокой пропускной способностью.
- Сложные промышленные и корпоративные сети с высокой плотностью подключаемых устройств.
Доставка
Мы доставляем по всей России. Ниже представлены примерные сроки доставки в крупные города:
Техническая документация
Остались вопросы по товару?
Менеджер профессионально ответит
на ваши вопросы
Сверхбыстрый диод US2J — 2 А, 600 В, корпус SMB
Артикул: 828637
В наличии: 6100 шт.
Цена: 1.67 руб.
x
В наличии: 75 шт.
Цена: 39.24 руб.
x












