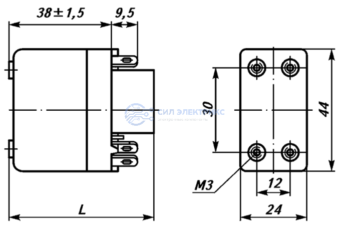
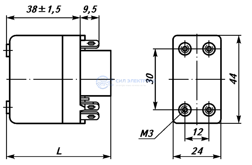
Контактор ПКЕ52П1ПГБ, 52 А, 220 В, корпус DIN, температура работы -40°C до +85°C
Технические параметры
Вес
0,125 кг
Тип
реле: коммутационное реле с питанием цепи управления постоянным током
Количество
переключающих контактов: 1
Номинальный ток
в цепи: 5 А
Номинальное напряжение
обмотки управления: 18 В постоянного тока
Конструктивное исполнение
герметичные
Максимальная температура
150°С
Категория:
Наименование
ПКЕ52П1ПГБ
Показать весь текст
Описание
Контактор ПКД201ОДГ предназначен для коммутации электрических цепей переменного и постоянного тока с высокой токовой нагрузкой. Устройство используется в системах управления, требующих надежного включения и отключения силовых нагрузок. Контактор отличается прочной конструкцией, устойчивостью к механическим воздействиям и долговечностью, что делает его подходящим для эксплуатации в сложных условиях.
Применение:
- Используется для управления мощными электродвигателями, насосами и компрессорами.
- Применяется в распределительных устройствах и системах управления нагрузками.
- Идеально подходит для работы в промышленной автоматике.
- Широко используется в энергетике и транспортных системах.
Доставка
Мы доставляем по всей России. Ниже представлены примерные сроки доставки в крупные города:
Техническая документация
Остались вопросы по товару?
Менеджер профессионально ответит
на ваши вопросы
В наличии: 2 шт.
Цена: 12 078 руб.
x











