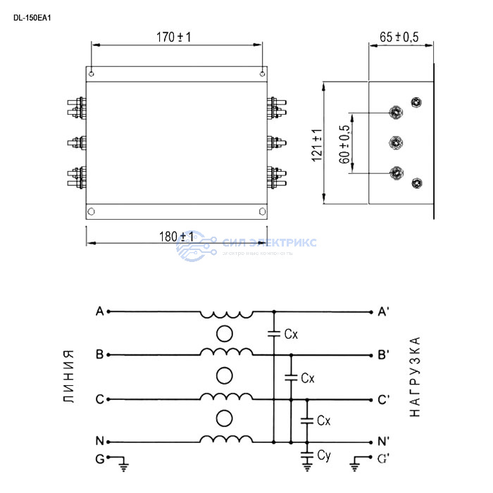
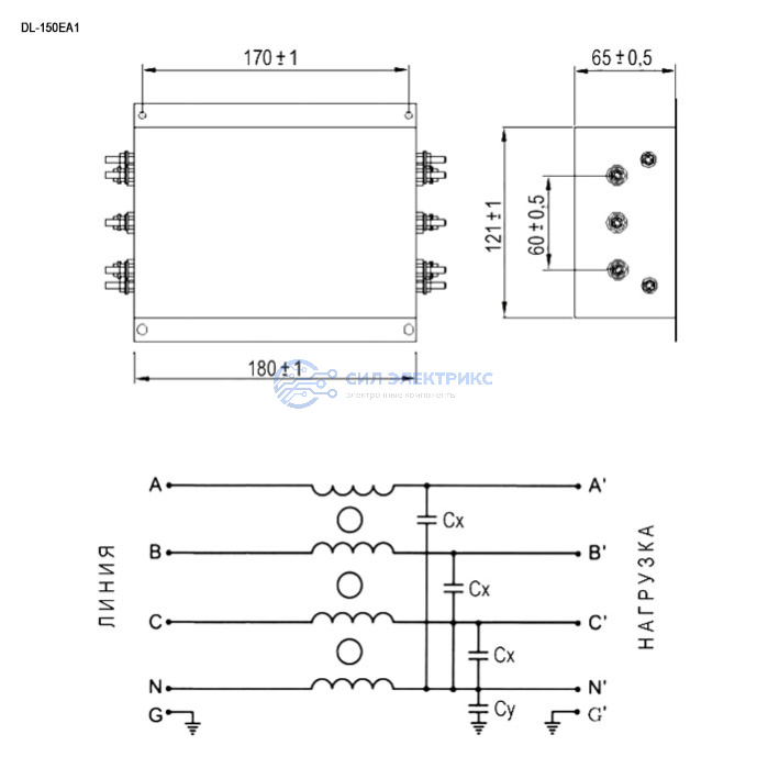
Фильтр сетевой DL-150EA1
Сетевой фильтр DL-150EA1 с номинальным током 150 А представляет собой мощное и надежное устройство, предназначенное для защиты электрического оборудования от электромагнитных помех и скачков напряжения в сети. Он обеспечивает высокую степень фильтрации помех и стабилизацию электропитания в системах с большими нагрузками, что важно для промышленных предприятий и крупных коммерческих объектов. Конструкция фильтра обеспечивает долговременную эксплуатацию при высоких токах и напряжениях, что делает его оптимальным выбором для мощного оборудования и систем с повышенными требованиями к электробезопасности и надежности.
Применение:
- Используется для защиты промышленного и коммерческого электрооборудования с высокими нагрузками от электромагнитных помех и перенапряжений.
- Подходит для систем с большим потреблением тока, включая силовые установки и технологическое оборудование.
- Обеспечивает стабильную работу и продлевает срок службы подключённых устройств за счет снижения влияния помех.
- Рекомендуется для применения в сложных условиях эксплуатации с нестабильным электропитанием и высокими нагрузками.











