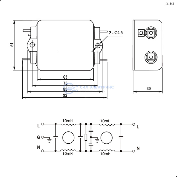
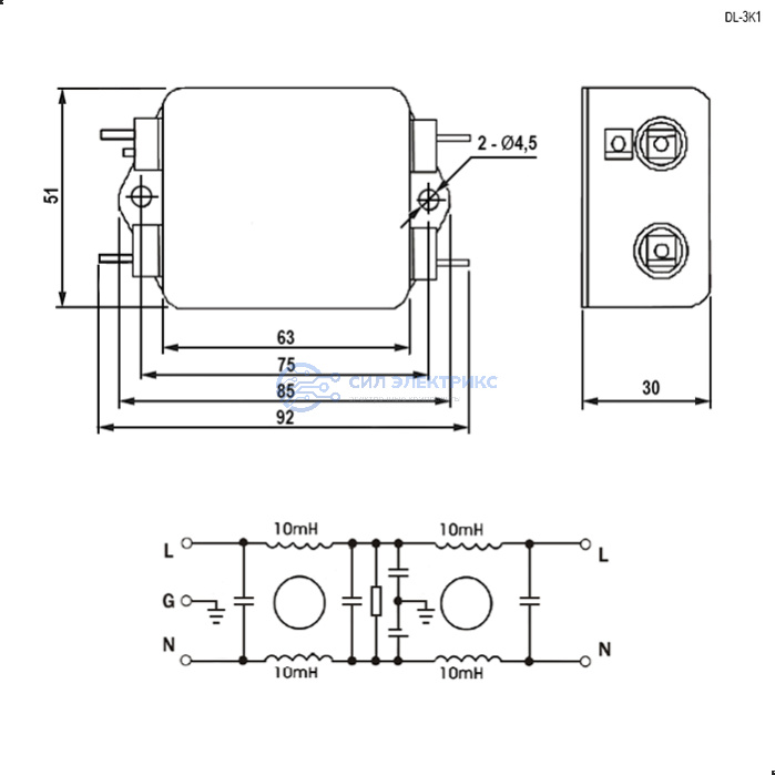
Фильтр сетевой DL-3K1
Сетевой фильтр DL-3K1 с номинальным током 3 А и напряжением 250 В представляет собой компактное и эффективное устройство для защиты бытовой и малой промышленной техники от электромагнитных помех и скачков напряжения в электросети. Он обеспечивает надежную стабилизацию электропитания и снижение уровня помех, что способствует стабильной и бесперебойной работе подключенного оборудования. Конструкция фильтра предусматривает удобство монтажа и долговечность эксплуатации, что делает его универсальным решением для защиты различной электроники.
Применение:
- Используется для защиты бытовой и маломощной промышленной техники от электромагнитных помех и перенапряжений.
- Подходит для сетей с напряжением до 250 В и током до 3 А.
- Обеспечивает стабильную работу подключенных устройств, снижая риск сбоев и повреждений.
- Рекомендуется для применения в домашних условиях, офисах и небольших производственных помещениях.










