Диодный модуль МД1-500-12, 500 А, 1200 В, корпус E2
Технические параметры
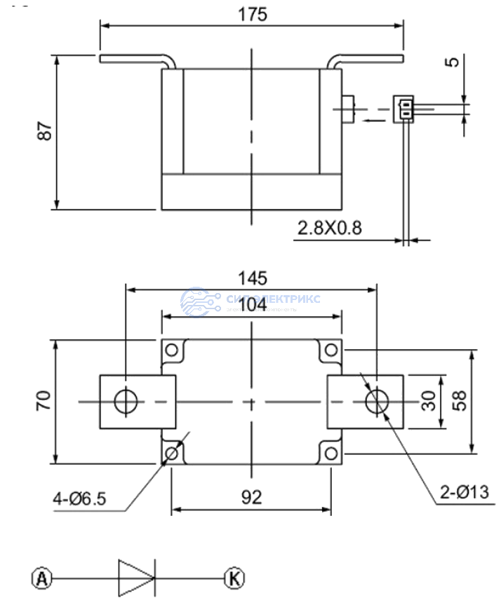
Высота
87 мм
Ширина
70 мм
Тип
Одиночный диодный модуль
Диапазон рабочих температур
-40...+125 °C
Длина
175 мм
Конфигурация
один диод
Повторяющееся импульсное обратное напряжение
1200
Вес брутто
2650.00
Транспортная упаковка: размер/кол-во
35.5*18.5*11.8/5
Прямое падение напряжения (Vf), В
0,75
Напряжение изоляции, В
2500 В (1 мин)
Максимально допустимый средний прямой ток It(av), А
500
Максимально допустимый ударный прямой ток Ifsm, А
6400
Повторяющийся импульсный обратный ток (Irrm), мА
50
Категория:
Наименование
МД1-500-12
Показать весь текст
Описание
Диодный модуль МД1-500-12 предназначен для защиты от перенапряжений и выпрямления тока в источниках питания и преобразователях. Этот модуль стабилизирует напряжение и помогает эффективно управлять потоком энергии, обеспечивая надежную работу в высоковольтных и средневольтных цепях. МД1-500-12 используется в промышленных и энергетических установках, повышая их стабильность и долговечность.
Применение:
- Используется в источниках питания и преобразователях для выпрямления и защиты от перенапряжений.
- Применяется в силовых установках для стабилизации напряжения.
- Обеспечивает защиту от импульсных перенапряжений в высоковольтных цепях.
- Используется в энергетических системах для повышения надежности работы.
Доставка
Мы доставляем по всей России. Ниже представлены примерные сроки доставки в крупные города:
Техническая документация
Остались вопросы по товару?
Менеджер профессионально ответит
на ваши вопросы
Диодный модуль МД1-1000-12, 1000 А, 1200 В, корпус E2
Артикул: 891026
В наличии: 20 шт.
Цена: 13 610.63 руб.
x
Диодный модуль JSKD200/16, 200 А, 1600 В, корпус E2
Артикул: 853023
В наличии: 2 шт.
Цена: 1 850.47 руб.
x










