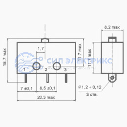
ПМ22-2
Производитель:
КУЗБАССРАДИО
Технические параметры
Вес
3,5 г
Рабочая температура
для приемки «1» - от -60 до +85; для приемки «5» - от -60 до +125 °С
Электрическая прочность изоляции
750 В
Наработка на отказ, не менее
10000 Час
Сопротивление изоляции
не менее 1000 МОм
Усилие
прямого срабатывания 0,78… 2,45 Н
Сопротивление контакта
не более 0,05 Ом
Повышенная относительная важность при 35 °С
98 %
Категория:
Наименование
ПМ22-2
Показать весь текст
Доставка
Мы доставляем по всей России. Ниже представлены примерные сроки доставки в крупные города:
Остались вопросы по товару?
Менеджер профессионально ответит
на ваши вопросы








